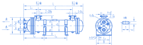
GLL 系列冷卻器


|
|
型號 |
L |
C |
L1 |
H1 |
H2 |
D1 |
D2 |
C1 |
C2 |
B |
L2 |
L3 |
D3 |
D4 |
n-d1 |
n-d2 |
n-bxL |
DN1 |
DN2 |
重量 (kg) |
|
GLL3-4 |
1165 |
682 |
265
|
190
|
210 |
219 |
310 |
140 |
200
|
290 |
367 |
485 |
100 |
100
|
4-ø17.5 |
4-ø17.5
|
4-20×28 |
32 |
32
|
143 |
|
GLL3-5 |
1465 |
982 |
785 |
168 |
|
GLL3-6 |
1765 |
1282 |
1085 |
100 |
40 |
184 |
|
GLL3-7 |
2065 |
1512 |
1385 |
220 |
|
GLL4-12 |
1555 |
960 |
345 |
262 |
262
|
325
|
435 |
200
|
300 |
370 |
490 |
660 |
145
|
145
|
65 |
65 |
319 |
|
GLL4-16 |
1960 |
1365 |
1065 |
380 |
|
GLL4-20 |
2370 |
1775 |
1475 |
440 |
|
GLL4-24 |
2780 |
2175 |
350
|
1885 |
160
|
8-ø17.5 |
80 |
505 |
|
GLL4-28 |
3190 |
2585 |
2295 |
566 |
|
GLL5-35 |
2480 |
1692 |
500
|
315
|
313
|
426 |
535
|
235 |
300 |
520 |
730
|
1232 |
180
|
180
|
8-ø17.5
|
4-20×30
|
100 |
100 |
698 |
|
GLL5-40 |
2750 |
1962 |
1502 |
766 |
|
GLL5-45 |
3020 |
2202 |
515
|
725 |
1772 |
210
|
125 |
817 |
|
GLL5-50 |
3290 |
2472 |
2042 |
900 |
|
GLL5-60 |
3830 |
3012 |
2582 |
1027 |
|
GLL6-80 |
3160 |
2015 |
700
|
500
|
434
|
616 |
780
|
360 |
550 |
750 |
935
|
1555 |
295 |
295 |
8-ø22 |
8-ø22 |
4-25×32 |
200 |
200 |
1617 |
|
GLL6-100 |
3760 |
2615 |
2155 |
1890 |
|
GLL6-120 |
4360 |
3215 |
2755 |
2163 | |
|
注:GLCA型與GLC型外形尺寸相同,油、水口有螺紋和法蘭兩種冷卻器 |
|
我廠將根據客戶來樣來圖非標產品進行設計,報價.. | |
| 錄入時間:2011-9-24 13:03:48 【打印此頁】 【關閉】 |